
蘇州榮軒環保有限公司
地址:蘇州市吳中區臨湖鎮東山大道4088號
聯系人:董經理 18915418820
電話:0512-66294806
傳真:0512-66294852
E-mail:Doishero@rep88.cn
網址:www.aa020.cn


廢氣處理的原理有活性炭吸附法、高溫焚燒、催化燃燒法、催化氧化法、酸堿中和法、等離子法等多種原理。蘇州榮軒環保推薦采用生物藥劑吸收法,是有別于以上幾種原理的新方法。
1、廢氣處理方法之一 掩蔽法
脫臭原理:采用更強烈的芳香氣味與臭氣摻和,以掩蔽臭氣,使之能被人接收。適用范圍:適用于需立即地、暫時地消除低濃度惡臭氣體影響的場合,惡臭強度2.5左右,無組織排放源。優點:可盡快消除惡臭影響,靈活性大,費用低。缺點:惡臭成分并沒有被去除。
2、廢氣處理方法之二 稀釋擴散法
脫臭原理:將有臭味地氣體通過煙囪排至大氣,或用無臭空氣稀釋,降低惡臭物質濃度以減少臭味。適用范圍:適用于處理中、低濃度的有組織排放的惡臭氣體。優點:費用低、設備簡單。缺點:易受氣象條件限制,惡臭物質依然存在。
3、廢氣處理方法之三 熱力燃燒法與催化燃燒法
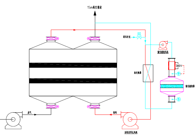
脫臭原理:在高溫下惡臭物質與燃料氣充分混和,實現完全燃燒適用范圍:適用于處理中低濃度、小風量的可燃性氣體。優點:凈化效率高,惡臭物質被徹底氧化分解。缺點:設備易腐蝕,消耗燃料,處理成本高,易形成二次污染。加拿大科邁科的蓄熱式熱力燃燒爐,在節約燃料方面比較出色,處理成本低;目前在汽車涂裝、石油化工、醫藥、電子行業應用較廣泛。
4、廢氣處理方法之四 水吸收法
脫臭原理:利用臭氣中某些物質易溶于水的特性,使臭氣成分直接與水接觸,從而溶解于水達到脫臭目的。適用范圍:水溶性、有組織排放源的惡臭氣體。優點:工藝簡單,管理方便,設備運轉費用低 產生二次污染,需對洗滌液進行處理。缺點:凈化效率低,應與其他技術聯合使用,對硫醇,脂肪酸等處理效果差。
5、廢氣處理方法之五 藥液吸收法
脫臭原理:利用臭氣中某些物質和藥液產生化學反應的特性,去除某些臭氣成分。適用范圍:適用于處理大氣量、高中濃度的臭氣。優點:能夠有針對性處理某些臭氣成分,工藝較成熟。缺點:凈化效率不高,消耗吸收劑,易形成而二次污染。
6、廢氣處理方法之六 吸附法
脫臭原理:利用吸附劑的吸附功能使惡臭物質由氣相轉移至固相。適用范圍:適用于處理低濃度,高凈化要求的惡臭氣體。優點:凈化效率很高,可以處理多組分惡臭氣體。缺點:吸附劑費用昂貴,再生較困難,要求待處理的惡臭氣體有較低的溫度和含塵量。
7、廢氣處理方法之七 生物濾池式脫臭法
脫臭原理:惡臭氣體經過去塵增濕或降溫等預處理工藝后,從濾床底部由下向上穿過由濾料組成的濾床,惡臭氣體由氣相轉移至水-微生物混和相,通過固著于濾料上的微生物代謝作用而被分解掉。適用范圍:目前研究最多,工藝最成熟,在實際中也最常用的生物脫臭方法。又可細分為土壤脫臭法、堆肥脫臭法、泥炭脫臭法等。
優點:處理費用低。缺點:占地面積大,填料需定期更換,脫臭過程不易控制,運行一段時間后容易出現問題,對疏水性和難生物降解物質的處理還存在較大難度。
8、廢氣處理方法之八 生物滴濾池式
脫臭原理:原理同生物濾池式類似,不過使用的濾料是諸如聚丙烯小球、陶瓷、木炭、塑料等不能提供營養物的惰性材料。適用范圍:只有針對某些惡臭物質而降解的微生物附著在填料上,而不會出現生物濾池中混
優點:和微生物群同時消耗濾料有機質的情況。缺點:池內微生物數量大,能承受比生物濾池大的污染負荷,惰性濾料可以不用更換,造成壓力損失小,而且操作條件極易控制 需不斷投加營養物質,而且操作復雜,使得其應用受到限制。
9、廢氣處理方法之九 洗滌式活性污泥脫臭法
脫臭原理:將惡臭物質和含懸浮物泥漿的混和液充分接觸,使之在吸收器中從臭氣中去除掉,洗滌液再送到反應器中,通過懸浮生長的微生物代謝活動降解溶解的惡臭物質。適用范圍:有較大的適用范圍,可以處理大氣量的臭氣,同時操作條件易于控制,占地面積小。 缺點:設備費用大,操作復雜而且需要投加營養物質。
10、廢氣處理方法之十 曝氣式活性污泥脫臭法
脫臭原理:將惡臭物質以曝氣形式分散到含活性污泥的混和液中,通過懸浮生長的微生物降解惡臭物質 適用范圍廣。適用范圍:日本已用于糞便處理場、污水處理廠的臭氣處理。
優點:活性污泥經過馴化后,對不超過極限負荷量的惡臭成分,去除率可達99.5%以上。缺點:受到曝氣強度的限制,該法的應用還有一定局限。
11、廢氣處理方法之十一 三相多介質催化氧化工藝
脫臭原理:反應塔內裝填特制的固態復合填料,填料內部復配多介質催化劑。當惡臭氣體在引風機的作用下穿過填料層,與通過特制噴嘴呈發散霧狀噴出的液相復配氧化劑在固相填料表面充分接觸,并在多介質催化劑的催化作用下,惡臭氣體中的污染因子被充分分解。適用范圍:適用范圍廣,尤其適用于處理大氣量、中高濃度的廢氣,對疏水性污染物質有很好的去除率。優點:占地小,投資低,運行成本低;管理方便,即開即用。缺點:耐沖擊負荷,不易污染物濃度及溫度變化影響,需消耗一定量的藥劑。
12、廢氣處理方法之十二 低溫等離子體技術
脫臭原理:介質阻擋放電過程中,等離子體內部產生富含極高化學活性的粒子,如電子、離子、自由基和激發態分子等。廢氣中的污染物質與這些具有較高能量的活性基團發生反應,最終轉化為CO2和H2O等物質,從而達到凈化廢氣的目的。適用范圍:適用范圍廣,凈化效率高,尤其適用于其它方法難以處理的多組分惡臭氣體,如化工、醫藥等行業。優點:電子能量高,幾乎可以和所有的惡臭氣體分氣箱脈沖布袋除塵器的常見故障及解決措施。
蘇州榮軒環保 您身邊的廢氣處理專家 更多廢氣處理資訊請登陸:www.rep88.cn
廢氣處理方案熱線:400-1588-771 QQ:1476169496
